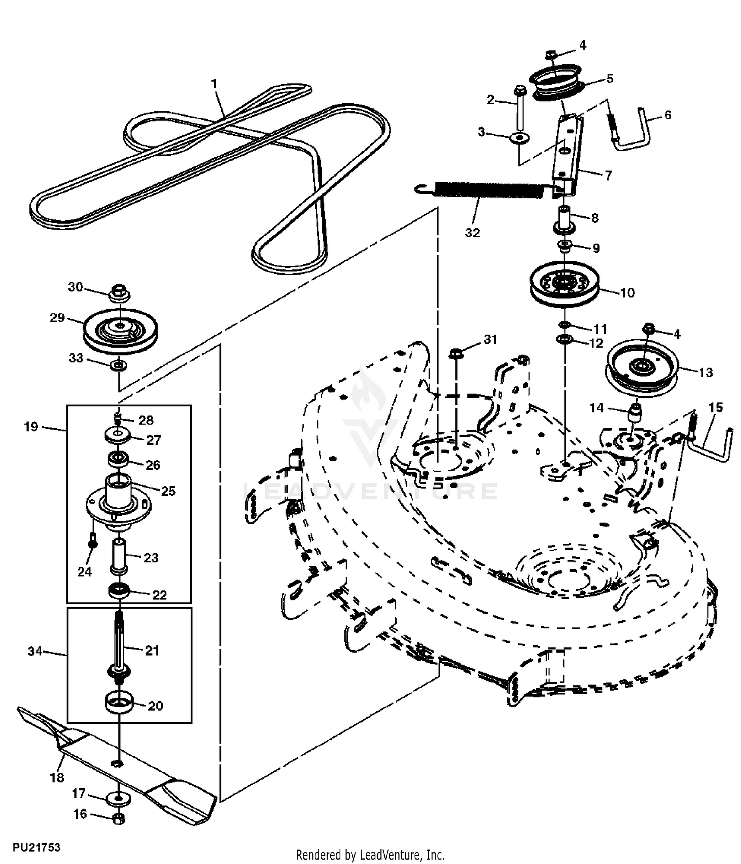
Webrear bagger parts for x300r. Webfind parts & diagrams for your john deere equipment. Search our parts catalog, order parts online or contact your john deere dealer. Webthe machine identification (a) is located on right side of frame. The engine identification number (b) is located on the engine housing. The rear bagger chute includes a convenient handle and a fill indicator that informs the operator when the bags. Webfind your owner's manual and service information. For example the operator's manual, parts diagram, reference guides, safety info, etc. Webclick here for rear bagger parts for x300.
John Deere X300 Parts
John DeereX500 Parts
John Deere Bagger Parts
John Deere BaggerReplacement Parts
John Deere X300 PartsCatalog
John Deere42 Bagger Parts
John DeereGrass Bagger Parts
John Deere X300 BaggerSystem
John Deere X300 PartsList
John Deere X300 BaggerAttachment
John Deere X300Series
John DeereX300R Parts
X300 John Deere Bagger PartsDiagram