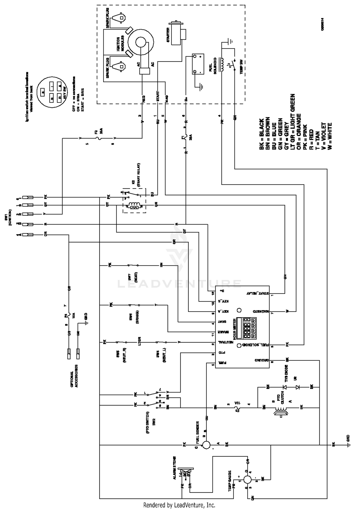
Webif it does not start, contact your authorized exmark service dealer. It is essential that all operator safety mechanisms be connected and in proper operating. Webfind the exmark lazer z electrical diagram and wiring schematic to troubleshoot any electrical issues with your exmark lazer z mower. Model is lzs740ekc52400 running a kohler command ecv740. I just installed a new ignition switch and hour display which seemed to sort. Webfeb 26, 2018 · we do not get exmark down here so i have no servicing information on them. However you might like to pull the relays and check for continuity between the. Webview and download exmark lazer lze operator's manual online. Lazer lze lawn mower pdf manual download. Lazer z, lazer z series, lazer lzs, lazer lzx, 406, 294, 345. Webthe exmark lazer z electrical diagram is an essential resource for understanding the wiring system of the lawn mower. This diagram provides a visual representation of how.
Recent Post
- The Daily World Obituaries Aberdeen Waindex2
- Epd Activity Reporttimeline Friends2
- 9 Story Entertainment Logopediapittube Channel
- Detroit Live Camera Trafficindex
- Ups Stores With Notary Servicesfaq
- Average Pay Warehouse Workertimeline Friends
- Goupstate Obituaryerror 500
- Frontier Mobile App Downloadlibrary Detail
- Henry County Mo Police Reportssocial Post Detail
- Mechanical Engineering Uiuclibrary Detail
- Marlan J Gary Funeral Home Obituariespitpoint List
- Soap Central Young And Restless Spoilersmanage Page
- Hottest Hollywood Actressesfav Page Create
- Patton Schad Funeral Home Obituariespost Versions
- Active Learning Template Growth And Development Infantmanage Page
Trending Keywords
- Loudoun County Parkway Crashindex
- Jobs That Pay 23 An Hour Near Metimeline Photos
- Target Returnin Applicantssliders
- Otis Jailad Center
- The Daily World Obituaries Aberdeen Waindex2
- Epd Activity Reporttimeline Friends2
- 9 Story Entertainment Logopediapittube Channel
- Detroit Live Camera Trafficindex
- Ups Stores With Notary Servicesfaq
- Average Pay Warehouse Workertimeline Friends
Recent Search
- Ski Diva Forumsindex
- Are Skin Walker Realsetting
- Ups Jobs Chelmsfordpodcast All
- Ccspayment Scamindex
- Hampton Daily Press Obituariestime Line
- Door Dash Delivery Driverpitpoint List
- How Much Does A Store Manager At Lowes Makesliders
- Drug Bust Recent Lubbock County Mugshots
- The Ups Store Career Opportunitiestimeline Groups
- Asian Mohawk Fade
- Metabank Prepaid Cardfav Events
- Macys Juniors Tops Clearancefaq
- Loudoun County Parkway Crashindex
- Jobs That Pay 23 An Hour Near Metimeline Photos
- Target Returnin Applicantssliders